Descripción
Está diseñado para mediciones de baja frecuencia, movimiento e inclinación en pruebas de vuelo, pruebas de carga vital, transporte y análisis modal.
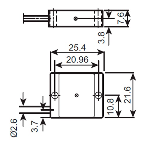
Los acelerómetros de respuesta DC están diseñados para medir vibraciones de baja frecuencia hasta DC. El elemento sensor de gas amortiguado ofrece un rango dinámico amplio y respuesta de frecuencia muy estable, aun después de sujeción a altos niveles de choque.
Escenarios de uso
- Mediciones de baja frecuencia, movimiento e inclinación.
- Pruebas de vuelo.
- Pruebas de carga vial.
- Transporte.
- Análisis modal.
El acelerómetro tiene un condicionamiento incorporado, donde el elemento sensible y la electrónica están protegidas, selladas y aisladas de la carcasa.
Las versiones D están disponibles ofreciendo alta estabilidad térmica desde -55 a +121°C.


